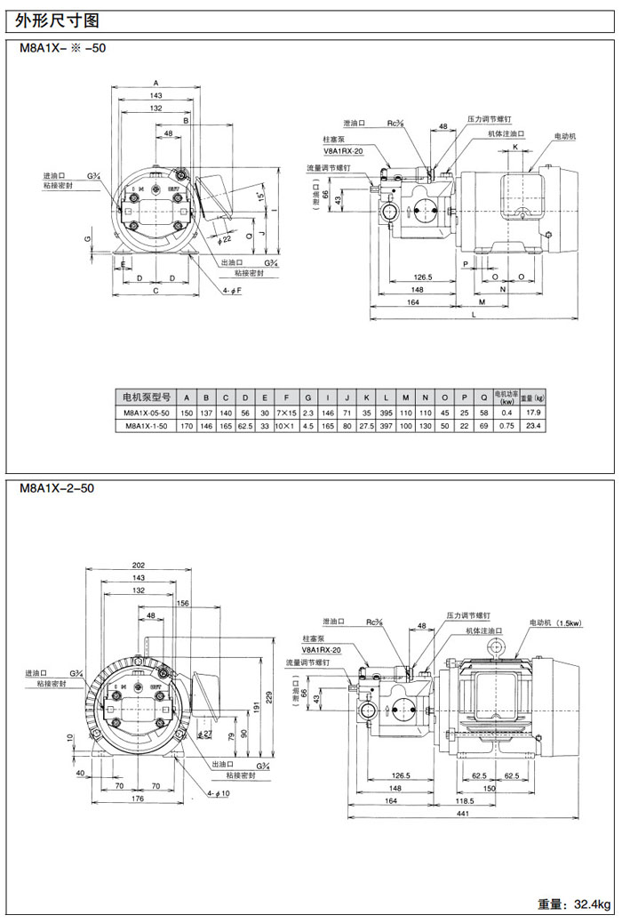
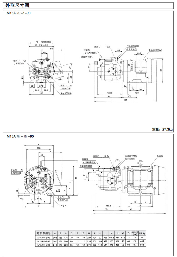
M15SA,M23SA,M38SA,M15SA1A-1-90,M23SA1A-7-60,M38SA1A-7-60,M15SA1A-2-90,DAIKIN電機泵

















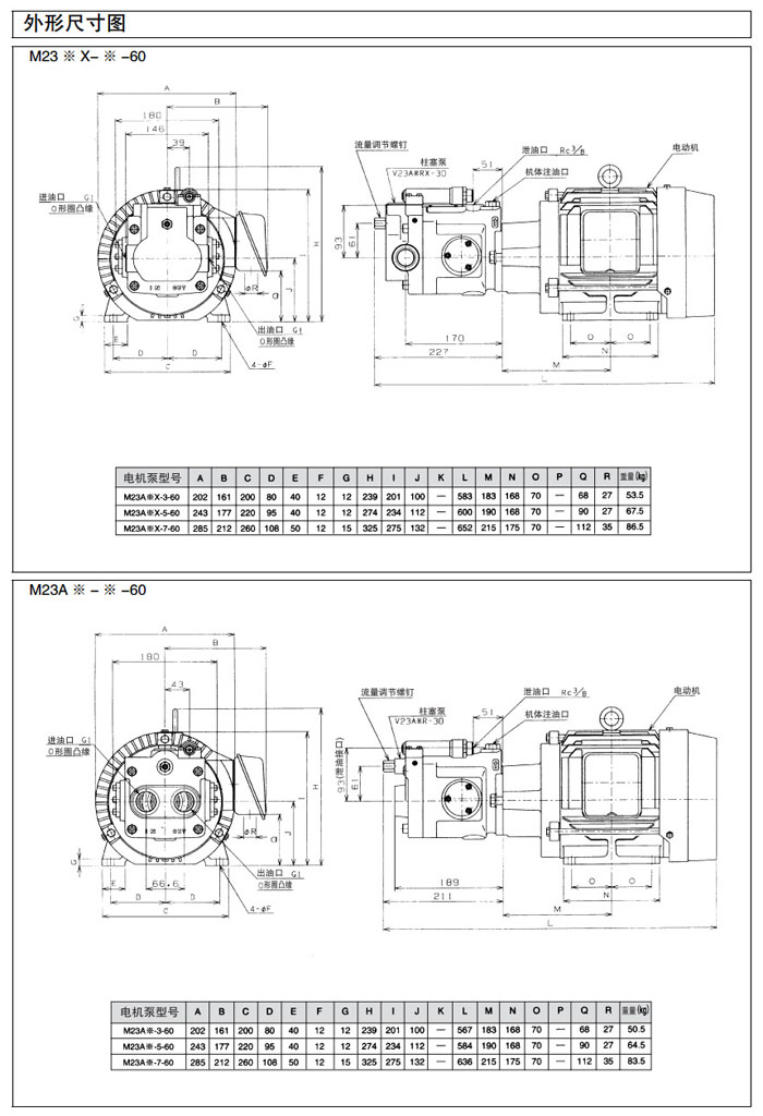
M15SA1C-2-90,M15SA1C-3-90,M15SA1C-5-90,M23SA1A-3-60,M23SA1A-5-60,M23SA1B-7-60,M23SA1B-3-60,
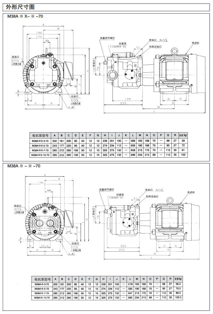
M23SA1B-5-60,M23SA1C-7-60,M23SA1C-3-60,DAIKIN M23SA1C-5-60,M38SA1A-3-60,M38SA1A-5-60,M38SA1A-10-60,
M38SA1B-7-60,M38SA1B-3-60,M38SA1B-5-60,M38SA1B-10-60,M38SA1C-7-60,M38SA1C-3-60,M38SA1C-5-60,M38SA1C-10-60,
客服熱線:

