PST-C04-M6,PST-C04-01,PST-C06-01,
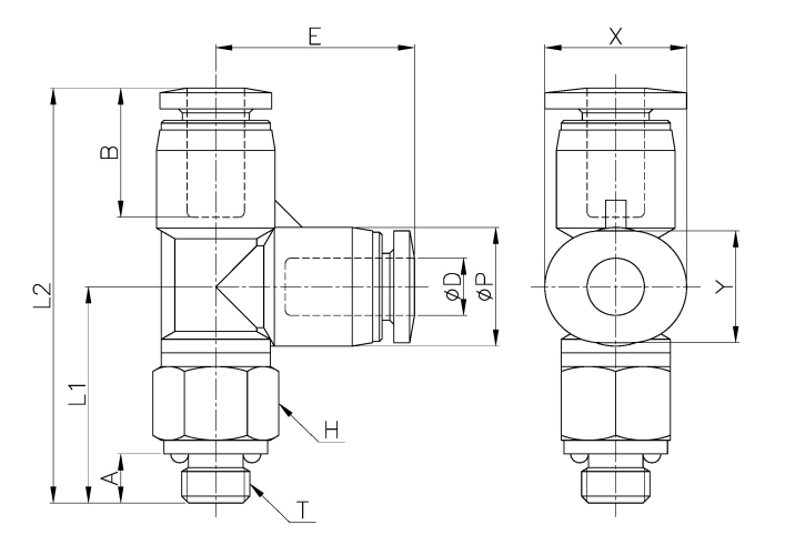
| Model | ∅D | ∅P | T | L1 | L2 | E | A | B | H(Hex) | X | Y | ORIFICE | WEIGHT(g) | BOX(EA) |
| PST-C03-M3 | 3 | 7.6 | M3*0.5p | 14.7 | 28.3 | 13.6 | 3 | 11.3 | 8 | 9.2 | 7.2 | 1.5 | 4 | 100 |
| PST-C03-M5 | 3 | 7.6 | M5*08p | 15.3 | 28.9 | 13.6 | 3.6 | 11.3 | 8 | 9.2 | 7.2 | 2.5 | 5 | 100 |
| PST-C03-M6 | 3 | 7.6 | M6*1.0p | 15.8 | 29.4 | 13.6 | 4.1 | 11.3 | 8 | 9.2 | 7.2 | 2.5 | 5 | 100 |
| PST-C04-M3 | 4 | 8.7 | M3*0.5p | 15.3 | 29.8 | 14.6 | 3 | 11.8 | 8 | 10.4 | 8.2 | 1.5 | 5 | 100 |
| PST-C04-M5 | 4 | 8.7 | M5*0.8p | 15.9 | 30.4 | 14.6 | 3.6 | 11.8 | 8 | 10.4 | 8.2 | 2.5 | 6 | 100 |
| PST-C04-M6 | 4 | 8.7 | M6*1.0p | 16.4 | 30.9 | 14.6 | 4.1 | 11.8 | 8 | 10.4 | 8.2 | 3 | 6 | 100 |
| PST-C04-01 | 4 | 8.7 | R 1/8 | 16.4 | 30.9 | 14.6 | 8 | 11.8 | 10 | 10.4 | 8.2 | 3 | 9 | 100 |
| PST-C06-M5 | 6 | 10.8 | M5*0.8p | 16.9 | 33.4 | 16.5 | 3.6 | 12.8 | 8 | 12.4 | 10.2 | 2.5 | 7 | 100 |
| PST-C06-M6 | 6 | 10.8 | M6*1.0p | 17.4 | 33.9 | 16.5 | 4.1 | 12.8 | 8 | 12.4 | 10.2 | 3 | 7 | 100 |
| PST-C06-01 | 6 | 10.8 | R 1/8 | 17.4 | 33.9 | 16.5 | 8 | 12.8 | 10 | 12.4 | 10.2 | 3 | 10 | 100 |
外形尺寸

客服熱線:

