DG3VP-3,DG4VP-3,CVUA-6,DG3VP-3-102A-VM-U-B-10,CVUA-6-PDW-3-M-U-H-10,提動式電磁方向控制閥
DG3VP-3-102A-VM-U-D-10,DG3VP-3-102A-VM-U-G-10,DG3VP-3-102A-VM-U-H-10,
DG3VP-3-103A-VM-U-B-10,弋力(EALY)液壓DG3VP-3-103A-VM-U-D-10,DG3VP-3-103A-VM-U-G-10,DG3VP-3-103A-VM-U-H-10,










DG4VP-3-104C-VM-U-B-10,DG4VP-3-104C-VM-U-D-10,DG4VP-3-104C-VM-U-G-10,DG4VP-3-104C-VM-U-H-10,
DG4VP-3-105C-VM-U-B-10,DG4VP-3-105C-VM-U-D-10,DG4VP-3-105C-VM-U-G-10,DG4VP-3-105C-VM-U-H-10,
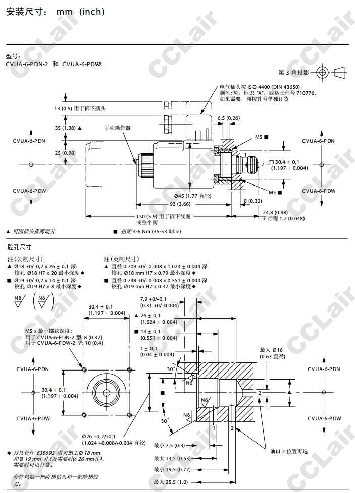
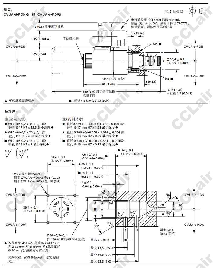
CVUA-6-PDN-2-M-U-B-10,CVUA-6-PDW-2-M-U-B-10,威格士-VickersCVUA-6-PDN-3-M-U-B-10,CVUA-6-PDW-3-M-U-B-10,
CVUA-6-PDN-2-M-U-D-10,CVUA-6-PDW-2-M-U-D-10,CVUA-6-PDN-3-M-U-D-10,CVUA-6-PDW-3-M-U-D-10,
CVUA-6-PDN-2-M-U-G-10,CVUA-6-PDW-2-M-U-G-10,CVUA-6-PDN-3-M-U-G-10,CVUA-6-PDW-3-M-U-G-10,
CVUA-6-PDN-2-M-U-H-10,CVUA-6-PDW-2-M-U-H-10,CVUA-6-PDN-3-M-U-H-10,
客服熱線:



