KB2XD04-06,KB2XD06-08,KB2XD08-10,KB2XD10-12,U形變徑插入接頭,價(jià)格
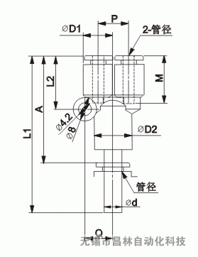
| MODEL | 管徑 | φd | φD1 | φD2 | L1 | L2 | A | P | Q | M | CT(mm2) | 重量(g) |
| KB2XD04-06 | 4 | 6 | 10.4 | 12.8 | 53.5 | 18.5 | 36.5 | 10.4 | 9.7 | 16 | 4.2 | 7 |
| KB2XD06-08 | 6 | 8 | 12.8 | 15.2 | 61.5 | 20.5 | 43 | 12.8 | 11.7 | 17 | 13.4 | 18 |
| KB2XD08-10 | 8 | 10 | 15.2 | 18.5 | 68.5 | 24.5 | 47.5 | 15.2 | 13.7 | 18.5 | 25.6 | 28 |
| KB2XD10-12 | 10 | 12 | 18.5 | 20.9 | 73.5 | 27.5 | 51.5 | 18.5 | 16.1 | 21 | 40 | 42 |

客服熱線:



