|
公司基本資料信息
|
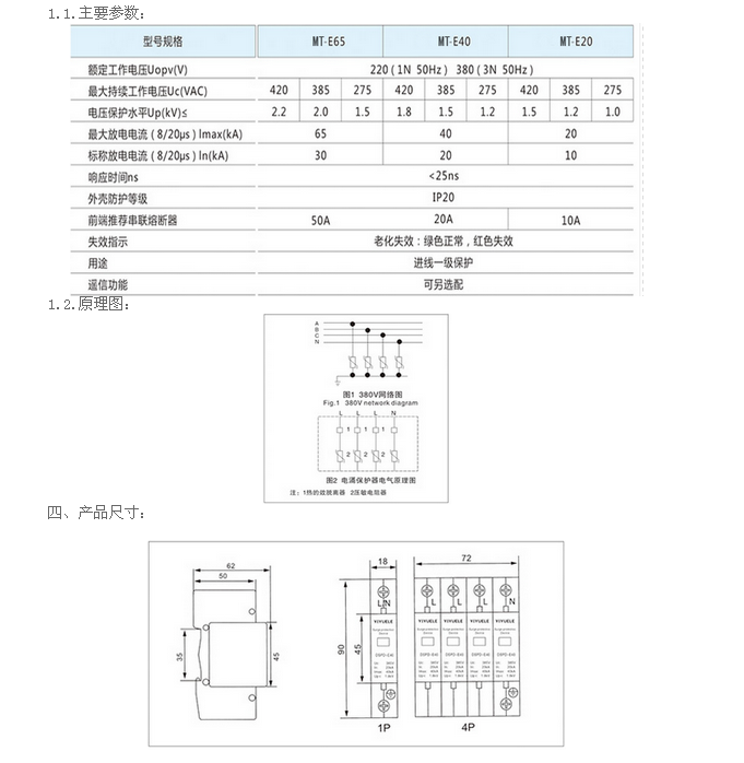
|||||||||||||||

.
一、產品概述:
MT-E20電涌保護器(以下簡稱E20)適用于交流50/60Hz,額定電壓380V的IT、TT、TN-C、TN-S、TN-C-S等供電系統(tǒng),對間接雷電和直接雷電影響或其他瞬時過電壓的電涌進行保護。依據IEC61643-1:1998-02標準。
二、產品結構:
E20為一端口,防觸電保護,戶內式固定安裝,電壓限制型。
E20內置脫離器,當E20因過熱擊穿失效時,脫離器能自動地將其從電網上脫離,同時給出指示信號。E20正常工作時可視窗顯示綠色,失效脫離后顯示紅色。
IP+N,2P+N,3P+N的由1P、2P、3P的E20+NPE零地保護模塊組成,應用于TN-S、TN-C-S等供電系統(tǒng)。
三、產品參數及原理圖:

MT-E20