|
公司基本資料信息
|
|||||||||||||||
WRE-236,WRE-636,WREK-54,WZPK-74
WZP-236,WZP-636,WRFK-54,WZPK2-74
WRN-336,WRN-736,WRCK-54,WZPK-84
WRE-336,WRE-736,WRNK-74,WZPK2-84
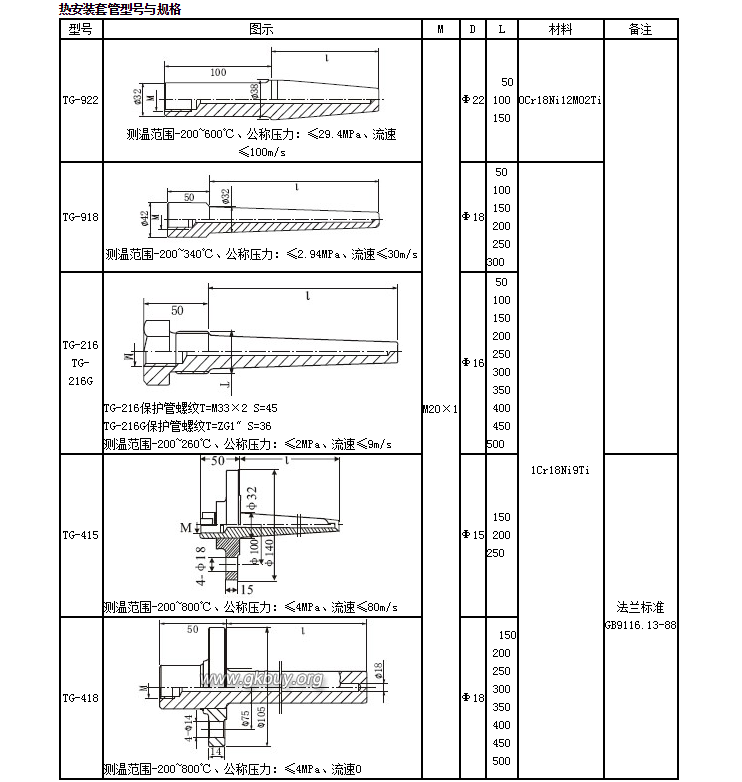
WZP-336,WZP-736,WREK-74,TG-922
WRN-436,WRN-836,WRFK-74,TG-918
WRE-436,WRE-836,WRCK-74,TG-216
WZP-436,WZP-836,WRNK-84,TG-216G
WRN-536,WRN-936,WREK-84,TG-415
WRE-536,WRE-936,WRFK-84,TG-418
WZP-536,WZP-936,WRCK-84,WZPK-54
壓簧式感溫元件
