|
公司基本資料信息
|
|||||||||||||||

| 型式 | 最高壓力 kgf/cm² |
轉(zhuǎn)速1200rpm , 工作油黏度20cSt 時之特性 | 容許回轉(zhuǎn)速 | 重量 (kg) |
||||||||
|---|---|---|---|---|---|---|---|---|---|---|---|---|
| 回轉(zhuǎn)速rpm | 吐出量(L/min) | 軸入力(KW) | ||||||||||
| 3.5 kgf/cm² |
35 kgf/cm² |
70 kgf/cm² |
3.5 kgf/cm² |
35 kgf/cm² |
70 kgf/cm² |
最高 | 最低 | 腳座型 | 法蘭型 | |||
| 50T-7 | 70 | 1200 | 7.9 | 6.9 | 5.7 | 0.20 | 0.82 | 1.51 | 2000 | 800 | 10.5 | 9 |
| 1500 | 9.9 | 8.9 | 7.7 | 0.30 | 1.05 | 1.87 | ||||||
| 1800 | 11.9 | 10.9 | 9.7 | 0.34 | 1.26 | 2.28 | ||||||
| 50T-12 | 70 | 1200 | 13.5 | 12.5 | 11.3 | 0.21 | 1.12 | 2.13 | 2000 | 600 | 10.5 | 9 |
| 1500 | 16.8 | 15.8 | 14.6 | 0.31 | 1.42 | 2.70 | ||||||
| 1800 | 20.2 | 19.2 | 18.0 | 0.39 | 1.73 | 3.23 | ||||||
| 50T-17 | 70 | 1200 | 19.2 | 18.2 | 17.0 | 0.30 | 1.48 | 2.80 | 1800 | 600 | 10.5 | 9 |
| 1500 | 24.0 | 23.0 | 21.8 | 0.39 | 1.86 | 3.50 | ||||||
| 1800 | 28.8 | 27.8 | 26.6 | 0.52 | 2.28 | 4.23 | ||||||
| 50T-23 | 70 | 1200 | 27.0 | 25.7 | 24.1 | 0.32 | 1.94 | 3.75 | 1800 | 600 | 10.5 | 9 |
| 1500 | 33.7 | 32.4 | 30.8 | 0.47 | 2.50 | 4.73 | ||||||
| 1800 | 40.4 | 39.1 | 37.5 | 0.58 | 3.01 | 5.71 | ||||||
| 50T-26 | 70 | 1200 | 30.0 | 28.5 | 26.6 | 0.40 | 2.33 | 4.47 | 1800 | 600 | 10.5 | 9 |
| 1500 | 37.5 | 36.0 | 34.1 | 0.52 | 2.92 | 5.60 | ||||||
| 1800 | 45.0 | 43.5 | 41.6 | 0.71 | 3.57 | 6.73 | ||||||
| 50T-36 | 70 | 1200 | 42.0 | 40.4 | 38.4 | 0.52 | 3.18 | 6.15 | 1800 | 600 | 10.5 | 9 |
| 1500 | 52.5 | 50.9 | 48.9 | 0.72 | 3.95 | 7.60 | ||||||
| 1800 | 63.0 | 61.4 | 59.4 | 0.98 | 4.83 | 9.18 | ||||||
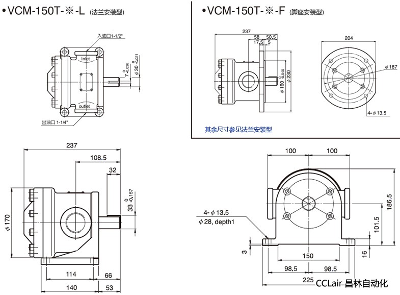
| 150T-48 | 70 | 1200 | 47.0 | 43.5 | 40.0 | 0.9 | 3.9 | 7.2 | 1500 | 600 | 26 | 25 |
| 1500 | 56.5 | 53.0 | 49.5 | 1.1 | 4.7 | 8.6 | ||||||
| 1800 | 70.5 | 67.0 | 63.5 | 1.4 | 5.8 | 10.7 | ||||||
| 150T-61 | 70 | 1200 | 60.0 | 56.5 | 50.0 | 1.1 | 4.8 | 8.8 | 1500 | 600 | 26 | 25 |
| 1500 | 72.0 | 68.5 | 65.0 | 1.3 | 5.7 | 10.5 | ||||||
| 1800 | 90.0 | 86.5 | 83.0 | 1.7 | 7.1 | 13.1 | ||||||
| 150T-75 | 70 | 1200 | 73.7 | 70.4 | 66.0 | 1.3 | 5.6 | 10.3 | 1500 | 600 | 26 | 25 |
| 1500 | 88.5 | 84.5 | 81.0 | 1.5 | 6.7 | 12.4 | ||||||
| 1800 | 111.0 | 107.0 | 103.5 | 1.9 | 8.3 | 15.5 | ||||||
| 150T-94 | 70 | 1200 | 92.5 | 88.0 | 82.5 | 1.4 | 6.8 | 12.8 | 1800 | 600 | 26 | 25 |
| 1500 | 111 | 106.5 | 101.0 | 1.7 | 8.3 | 15.4 | ||||||
| 150T-116 | 70 | 1800 | 116.0 | 110.0 | 103.0 | 1.7 | 8.5 | 16.1 | 1800 | 600 | 26 | 25 |
| 1200 | 139.0 | 133.0 | 126.0 | 2.0 | 10.3 | 19.3 | ||||||
![]() |
![]() |
![]() |
![]() |
| 型式 | 吸入壓力 | ||
|---|---|---|---|
| 最低吸入壓力 | 最高吸入壓力 | ||
| 石油積系液壓油 | 磷酸脂液含水液壓液 | ||
| 50T , 150T | -20kPa (-150mmHG) | -16kPa (-120mmHG) | +140kPa (+14kgf/cm²) |
| 1M , 2M , 3M | -20kPa (-150mmHG) | -16kPa (-120mmHG) | +30kPa (+0.3kgf/cm²) |
| 12M , 13M , 23M | -20kPa (-150mmHG) | ||