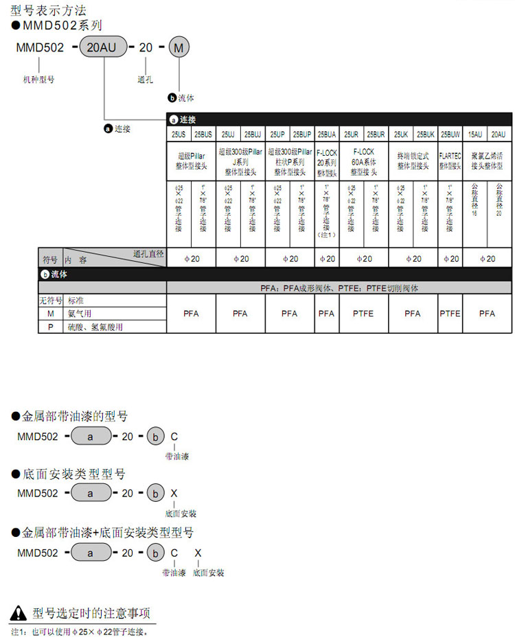
MMD302-10US-8,MMD302-12US-8,MMD302-15BUS-8,MMD402-20BUS-16,MMD502-25US-8,CKD藥液用手動閥







MMD302-10BUS-8,MMD302-10UJ-8,MMD302-10BUJ-8,MMD302-10UP-8,MMD302-10BUP-8,MMD302-10UA-8,
MMD302-10BUA-8,MMD302-10UR-8,MMD302-10BUR-8,MMD302-10UK-8,MMD302-10BUK-8,MMD302-10BUW-8,
MMD302-12UJ-8,MMD302-15BUJ-8,MMD302-12UP-8,MMD302-15BUP-8,MMD302-12UA-8,MMD502-20AU-8,
MMD302-15BUA-8,MMD302-12UR-8,MMD302-15BUR-8,MMD302-12UK-8,MMD302-15BUK-8,MMD302-15BUW-8,
MMD402-20BUJ-16,MMD402-20BUP-16,MMD402-20BUA-16,MMD402-20BUR-16,MMD402-20BUK-16,MMD402-20BUW-16,
MMD502-25BUS-8,MMD502-25UJ-8,MMD502-25BUJ-8,MMD502-25UP-8,MMD502-25BUP-8,MMD502-15AU-8
MMD502-25BUA-8,MMD502-25UR-8,MMD502-25BUR-8,MMD502-25UK-8,MMD502-25BUK-8,MMD502-25BUW-8,