|
公司基本資料信息
|
|||||||||||||||
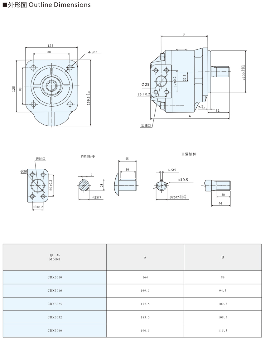
CBX-3010FPL,CBX-3010FHL,CBX-3016FPL,CBX-3016FHL,CBX-3025FPL,CBX-3025FHL,CBX-3032FPL,CBX-3032FHL,CBX-3040FPL,CBX-3040FHL齒輪泵

CBX-3010FPL,CBX-3010FHL,CBX-3016FPL,CBX-3016FHL,CBX-3025FPL,CBX-3025FHL,CBX-3032FPL,CBX-3032FHL,CBX-3040FPL,CBX-3040FHL齒輪泵